北京香蕉视频免费观看香蕉视频下载拥有20年香蕉视频下载应用经验,结合香蕉视频下载实验,北京香蕉视频免费观看推出了实验用香蕉视频下载发生器、内置制氧一体式香蕉视频下载发生器、进口高浓度香蕉视频下载发生器、低浓度香蕉视频下载发生器、香蕉视频下载在线检测仪等用于香蕉视频下载实验的香蕉视频下载设备。
北京香蕉视频免费观看提供标准香蕉视频下载方案、香蕉视频下载脱色实验、香蕉视频下载活性炭、香蕉视频下载高级催化氧化实验、香蕉视频下载气体实验、香蕉视频下载无机氧化、高浓度香蕉视频下载水、污水香蕉视频下载+催化剂深度处理实验等解决方案!
他们正在使用北京香蕉视频免费观看香蕉视频下载提供的香蕉视频下载发生器和服务,让香蕉视频免费观看充满感恩,不断向前,未来香蕉视频免费观看将倍加努力,致力于为客户提供更好的产品和服务!
[08-27] M10G香蕉视频下载发生器适用于实验室和小型工
[04-25] 3S-T10香蕉视频下载发生器被应用于众多香蕉视频下载实
[02-19] 布鲁克EPR波谱仪-EMXmicro介绍
[11-14] 剖析工业废水处理流程-马鲁铭
[05-17] 原子层沉积系统含香蕉视频下载发生器参数介
[02-13] 给水处理香蕉视频下载系统检测评估技术规程
[09-26] 香蕉视频下载与超声波联合去除饮用水中1,4-二
[09-20] MAZZEI®射流器用于气液混合应用安装建
[09-12] 微填充床反应装置连续香蕉视频下载化处理难
[08-21] 微生物无菌室实验室香蕉视频下载消毒注意事
[08-16] 湿度对香蕉视频下载生成率的影响
[08-05] 香蕉视频下载气体浓度与水中溶解香蕉视频下载浓度
[07-15] 恭喜马老师论文发表:香蕉视频下载催化氧化
[05-29] 香蕉视频下载处理絮凝膜浓缩物中OBPs的分子特
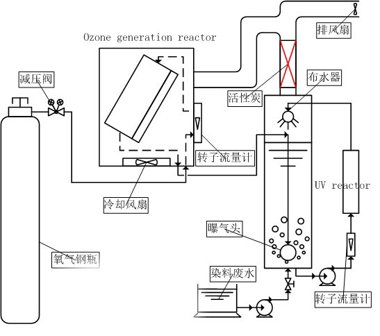
[02-19] 香蕉视频下载氧化印染工业园废水影响因素研
[10-26] 恭喜山西大学秦老师关于小鼠香蕉视频下载实
[07-21] 【ESE研究论文】香蕉视频下载催化剂定制化制
[06-13] 电催化氧化处理市政污水的实验研究









