香蕉视频下载微泡对矿山废水中氨的去除效果研究
几种物理、化学和生物技术有效地处理氨氮(NH3-N)。然而,低温和污染物的混合物限制了NH3-N的去除效率。本研究评估了香蕉视频下载微泡对合成和五种实际矿井废水中NH3-N的去除效率。测试更初是以批量模式进行的。然后,为了确认处理的可行性,对一个合成废水和一个实际废水进行了连续流动试验。结果表明,待处理水的参数对处理效率有显著影响。氰化物、氰酸盐、硫氰酸盐和金属的存在对处理性能有负面影响。NH3-N去除率为27.8%~99.3%。
连续流动测试证实了大规模处理的可行性,因为99.1%的NH3-N在570分钟的处理时间内以1.1L/min的流速处理。香蕉视频下载微气泡处理后,更终的抛光步骤去除了水中的粉红色,得到了令人满意的处理水质量。

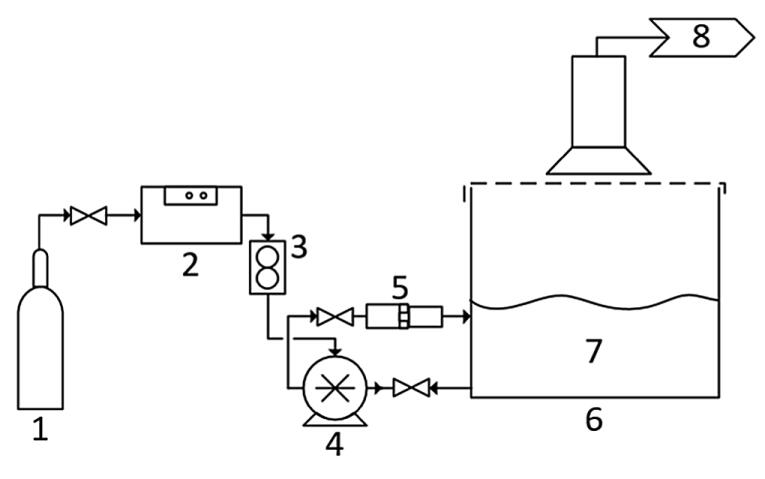
1. 氧气;2.香蕉视频下载发生器Magnum 200;3.流量计(8l /min);4. 微泵;5。静态混合器;6. 香蕉视频下载化反应器;7. 流出物;。
合成废水的制备和实际废水的取样
用(NH4)2SO4 (23.59 g)配制合成出水,溶解于100 L自来水中,得到约50 mg/L的NNH3。采用ACS级(NH4)2SO4和NaOH制备合成出水。
对位于加拿大QC Abitibi-Temiscamingue的五个金矿的真实废水进行了采样(表1)。在矿山的不同点对废水进行了采样:(1)脱水水;(2)更终出水;(3)尾矿库(池)上清水,NH3-N浓度变化范围为22.3 ~ 43.4 mg/L(表1)。
香蕉视频下载微泡的制备
使用Magnum 200香蕉视频下载发生器(北京香蕉视频免费观看),在30 psi的氧气(O2)下运行,氧气流量为8 L/min,流量为75 g O3/h。O3的预期浓度大于12%。采用200 L池作为香蕉视频下载化反应器,对其进行改造,使O3通过Nikuni KTM32N微泡泵和OHR MX-F15 (Original Hydrodynamic Reaction Technology)静态混合器供给。微泡泵的出口工作压力为70 psi,吸入压力为- 3.6 psi。
结论
本研究采用O3微泡间歇式和连续流中试处理系统,对NH3-N、Cu、Mn、Fe和Zn的去除率进行了评价。用合成废水(~50 mg NH3-N mg/L)分批进行了可处理性试验。然后,对5个NH3-N浓度在22.3 ~ 43.4 mg/L范围内变化的真实出水进行测试。在氨氮浓度为22.0 mg/L的废水中进行了处理效果优化。在每次处理开始、过程中和结束时对废水进行表征能力测试。评价了pH值对处理效果的影响。结果表明,在pH值为9时,O3微泡处理对re的去除效率高于pH值为11时(97.6% vs. 86%)。因此,处理后的废水不需要补充pH调整。结果表明,NH3-N氧化与CN -化合物(OCN -和SCN -)的存在有关。事实上,在之前的O3微泡中,污染物的去除首先涉及SCN -、CN -和OCN -氧化,然后才是NH3-N处理。
因此,在CN -化合物之前,NH3-N的去除效率降低了一半(例如,出水M和G: 99.7%对43.7%)。
这些结果表明,CN -化合物的存在会影响NH3-N的氧化反应,从而延长反应时间。
事实上,在测试的流出物中,处理效率是可变的,在批量测试中从27.8%到99.3%不等,在连续流中高达99.1%。这些结果证实了在O3微泡大规模应用前进行出水可处理性测试的必要性。